Compact Tractor H H6522 H6522 A4H TZAD-1000001-1001869 P.S. GEAR - Smith Farm & Garden

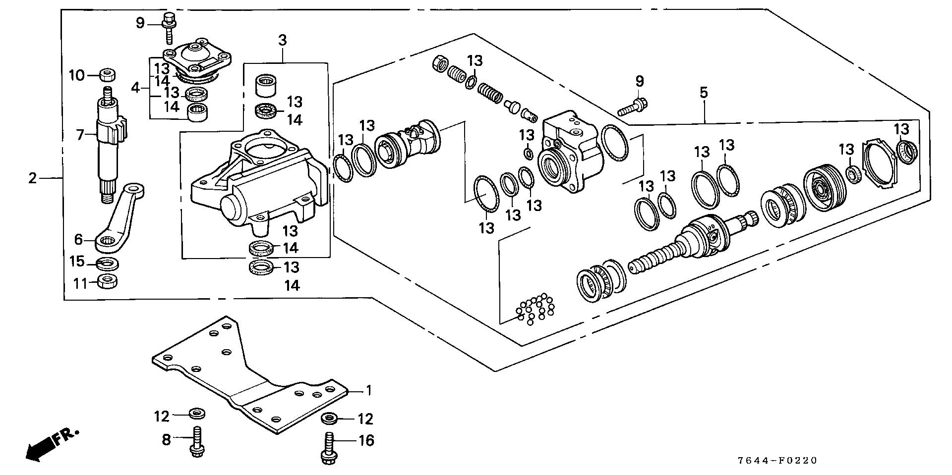
Ref No
Part Number
Description
Serial Range
Qty
Price

Ref No
1
Part Number
53321-759-610
Description
PLATE, STEERING GEAR MOUNTING
Serial Range
1000001 - 9999999

Ref No
2
Part Number
53400-759-611
Description
GEAR ASSY., POWER STEERING
Serial Range
1000001 - 9999999

Ref No
3
Part Number
53410-759-611
Description
BOX ASSY., GEAR
Serial Range
1000001 - 9999999

Ref No
4
Part Number
53450-759-611
Description
COVER ASSY., SIDE
Serial Range
1000001 - 9999999

Ref No
5
Part Number
53460-759-611
Description
SCREW UNIT, BALL
Serial Range
1000001 - 9999999

Ref No
6
Part Number
53461-759-611
Description
ARM, PITMAN
Serial Range
1000001 - 9999999

Ref No
7
Part Number
53470-759-611
Description
SHAFT ASSY., CROSS (NOT AVAILABLE)
Serial Range
1000001 - 9999999

Ref No
8
Part Number
90116-SD4-010
Description
BOLT, SIDE MOUNTING (12MM)
Serial Range
1000001 - 9999999

Ref No
9
Part Number
90156-759-611
Description
BOLT-WASHER
Serial Range
1000001 - 9999999

Ref No
10
Part Number
90337-759-611
Description
NUT (12MM)
Serial Range
1000001 - 9999999

Ref No
11
Part Number
90338-759-611
Description
NUT (20MM)
Serial Range
1000001 - 9999999

Ref No
12
Part Number
90504-SB0-000
Description
WASHER, PLAIN (12MM)
Serial Range
1000001 - 9999999
Qty
Price
$5.43

Ref No
13
Part Number
91277-759-611
Description
SEAL KIT (GEAR BOX)
Serial Range
1000001 - 9999999

Ref No
14
Part Number
91278-759-611
Description
SEAL KIT (CROSS SHAFT)
Serial Range
1000001 - 9999999

Ref No
15
Part Number
91898-759-611
Description
WASHER, SPRING (20MM)
Serial Range
1000001 - 9999999

Ref No
16
Part Number
95701-12032-08
Description
BOLT, FLANGE (12X32)
Serial Range
1000001 - 9999999
Qty
Price
$3.21